TX4205是一款高频、、、高效的开关升压型 DC-DC 转换芯片
集成12A/25mΩ的功率 MOSFET,,可提供高达24V的输出电压。。
固定600KHz 频率,,,,使用小的外部电感和电容,,并提供快速的瞬态响应。。
它集成了软启动、、、、比较器,,,,只需要很少的元件就能在3.3V电池输入时可以输出6V/3.5A,,, 9V/2A 和3.6V电池输入时可以输出6V/4.5A,,,,9V/3A 。。。。
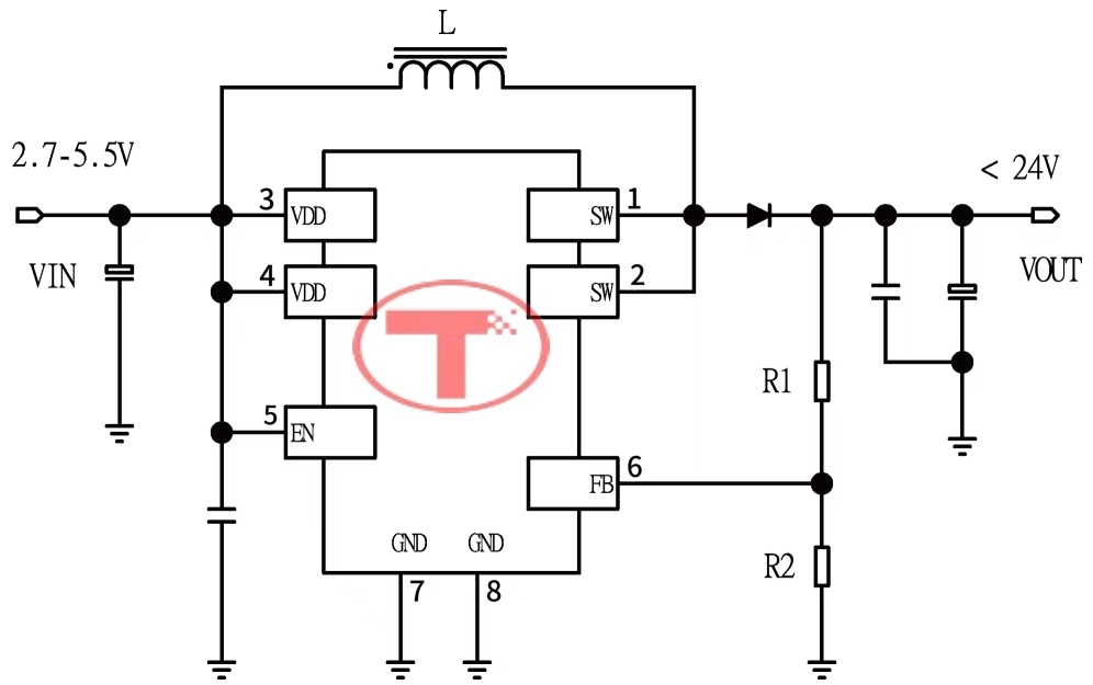
输入电压:2.7-5.5V
输出电压:12V
输出电流:1.5A - 3.5A
开关频率:600KHz
转换效率:96%
产品封装:ESOP-8
便携式音频放大器电源
充电宝
无线充电器
POS打印机电源
小型电机电源
TX4205应用原理图:

TX4205 DEMO板的PCB图:

TX4205 输出电压计算器:
