• TX4151是一款微型SOP-8封装、、、高效率、、、可调限流的40V 1.5A降压型DC-DC转换芯片。。

    芯片内部包括误差放大器、、、、振荡器、、、、电流比较器、、斜坡补偿、、、、电流采样、、逻辑驱动等模块,,

    电流误差放大器的内部集成,,,,使得该芯片可以实现恒压恒流控制。。。

    TX4151峰值电流模式的PWM控制环路以及补偿网络的外部可调,,,,使该芯片可在宽负载范围内提供稳定的输出电压。。。。

    电流采样端的引出,,,通过设定采样电阻值,,,可以简单、、精确地实现限流值的外部调节。。。

    TX4151导通电阻100mΩ的PMOS开关管的内部集成,,,提供了高的转换效率;内部3A的限流值以及短路 保护、、过温保护。。。。

    避免了芯片在超负荷负载或者温度过热时受到损坏。。。。

    120KHz的高频率以及微型SOP-8封装,,最大限度的减小了整 体解决方案的占板面积。。。

    主要特点:
    限流可调,,,,最高可达1.5A的输出电流能力
    效率高达90%
    +8V~+40V的输入工作电压范围
    120KHz开关频率,,降低EMI的抖频技术
    输出短路保护功能
    输出电压导线电阻损耗补偿
    过温保护
    纤小型 SOP-8 封装

    输入电压:+8V~+40V
    输出电压:0.8~6.5V
    输出电流:1.5A
    静态电流:60uA
    开关频率:120KHz
    内置MOS:内置
    封装形式:SOP-8

     

    汽车应用领域
    镍锰、、镍铬电池充电
    可调限流的降压型DC-DC
    可调电流源

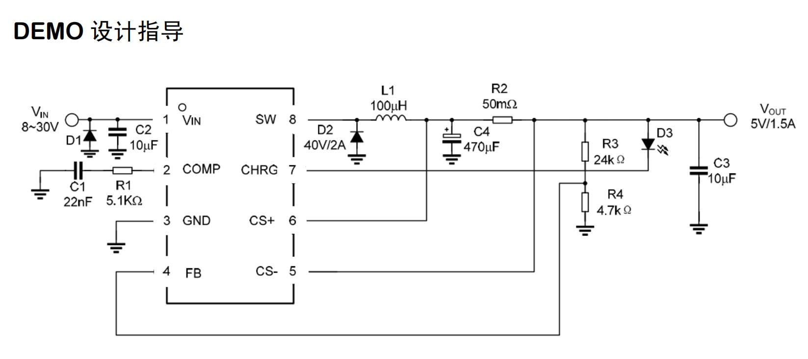
    TX4151 DEMO 5V 输出、、、、1.5A 限流时应用电路图

    TX4151脚位图

    站点地图