TX4102是一款开关降压型、、、同步整流DC-DC转换芯片
TX4102是高效率同步整流PWM降压DC-DC转换器。。输入电压范围从 2.5-5.5V。。。。
适合于单节电池驱动的应用。。。。100%负载循环能力延长电池寿命,,,没有负载时的静止电流是200uA,,,关闭时将降到<1uA以下。。。。
内部同步开关是为了提高效率而不需要外部的肖特基二极管。。
在1.0MHz/1.4 MHz的开关频率允许使用微小的、、、、低姿态的电感器和陶瓷电容,,,,从而适用于小体积的解决方案。。
芯片采用SOT23-5封装。。。。

输入电压:2.5V - 5.5V
输出电压:0.6V - 5.5V
输出电流:700mA
固定电压工作频率:1MHz
ADJ电压工作频率:1.4MHz
自动模式转换:PWM/PFM
输出短路保护
产品封装:SOT23-5
数码相机、、、、MP3
掌上电脑、、、ipads
无线电话、、DSL宽带调解器
便携式多媒体
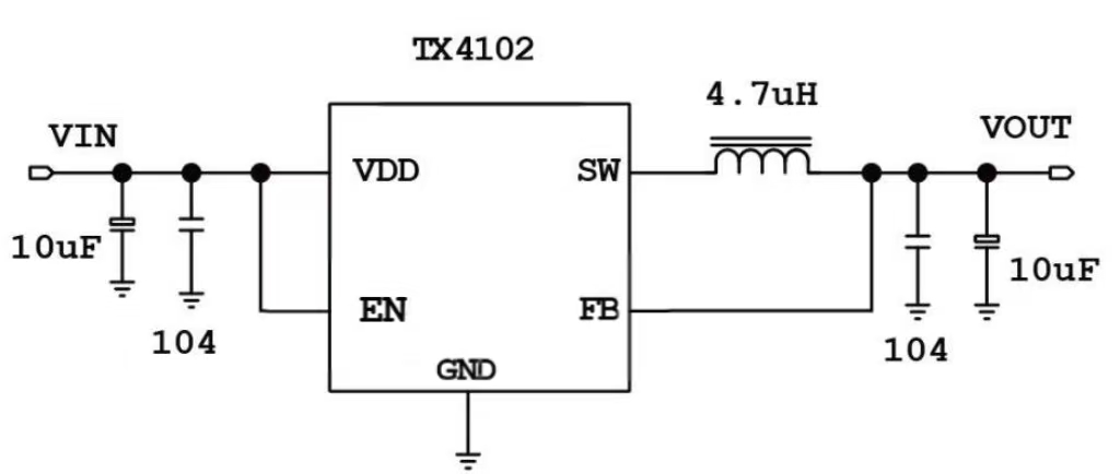
TX4102 固定电压输出原理图:

TX4102 ADJ电压输出原理图:

TX4102 输出电压计算器:
