简述:
TX6214 是一款高效率、、、、高精度的升压型 LED 恒流驱动控制芯片。。。。
内置高精度误差放大器,,,,振荡器,,,恒流驱动电路等,,,,特别适合大功率 ,多个高亮度 LED 灯串恒流驱动。。
芯片采用固定频率的 PWM 控制方 式,,工作频率可通过外部电阻进行设置。。。。
内置频率补偿,,,,无需外部补偿,,, 应用设计简单并减少外围元件。。。。
芯片内部集成了软启动、、输出过压保护、、、 逐周期限流保护以及过温保护电路,,减少外围元件并提高系统可靠性。。。。
芯片采用 SOP-8 封装。。。。
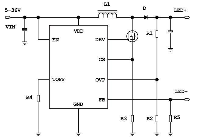
典型应用;

封装:

输入电压 :5V - 100V
输出电压 :> Vi + 1V
输入电流 :10A
静态电流 :75uA
开关频率:固定频率、、、频率可调
驱动方式:外置MOS
调光:使能、、FB脚调光
封装:SOP-8