TX6114是一款开关降压型LED恒流驱动芯片
TX6114内置5A功率MOS开关降压型高精度、、高亮度LED恒流驱动控制器。。。
芯片通过一个外接电阻设定输出电流,,, 最大输出电流可达2.5A。。。。
外围只需很少的元件就可实现降压、、、、恒流驱动功能,,, 并可以通过DIM引脚实现辉度控制功能。。。
系统采用电感电流滞环控制方式,,对负载瞬变具有非常快的响应,,,,对输入电压具有很高的抑制比,,,,其电感电流纹波为 20%,,且最高工作频率可达 1MHz。。。
该芯片特别适合宽输入电压范围的应用,,其输入电压范围从 5.5V-40V。。。。
芯片内部集成了过温保护电路,, 当芯片达到过温保护点时,,,系统立即进入过温保护模式,,,并降低输入电流以提高系统可靠性。。。。
芯片还特别内置了一个 LDO,,其输出电压为5V,,最大可提供5mA电流输出,,,散热片内置SW脚。。。。
芯片采用 ESOP8 封装。。。
输入电压:12-40V
输出电压:<VIN+2V
输出电流:2A
工作频率:最高 1MHz
转换效率:96%
芯片封装:ESOP-8
消费类电子产品
LED 照明
LED 背光
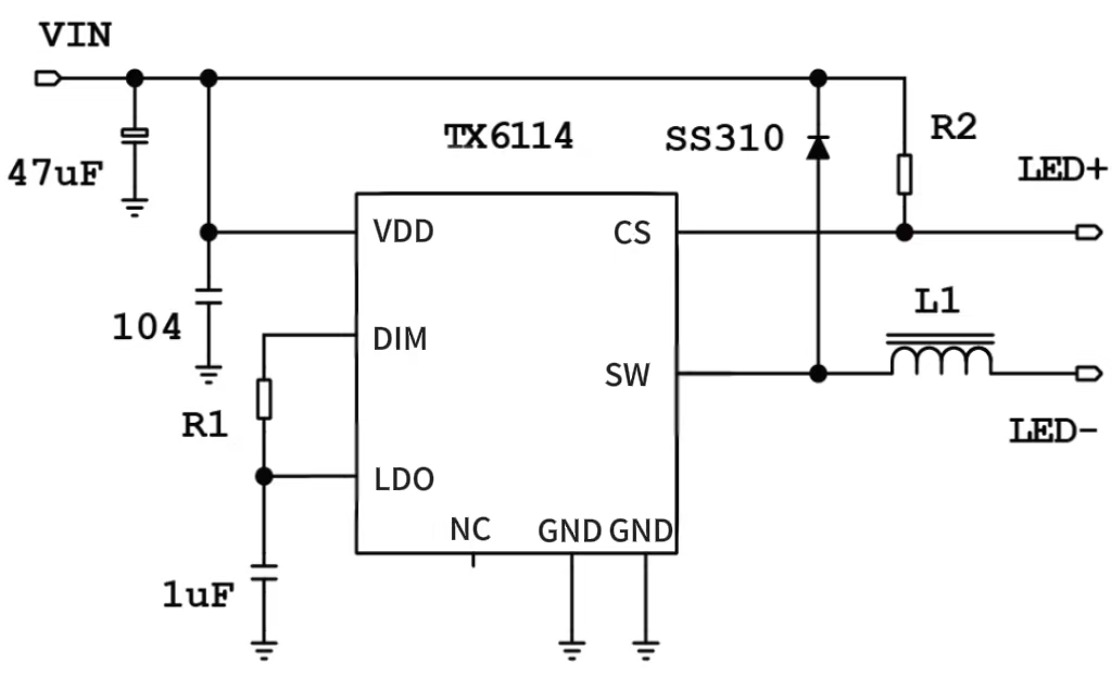
TX6114 DEMO板 应用原理图

TX6114 DEMO板 PCB图

TX6114 输出电流计算器
