基于尊龙时凯LED驱动芯片TX6211设计的LED升压恒流DEMO说明

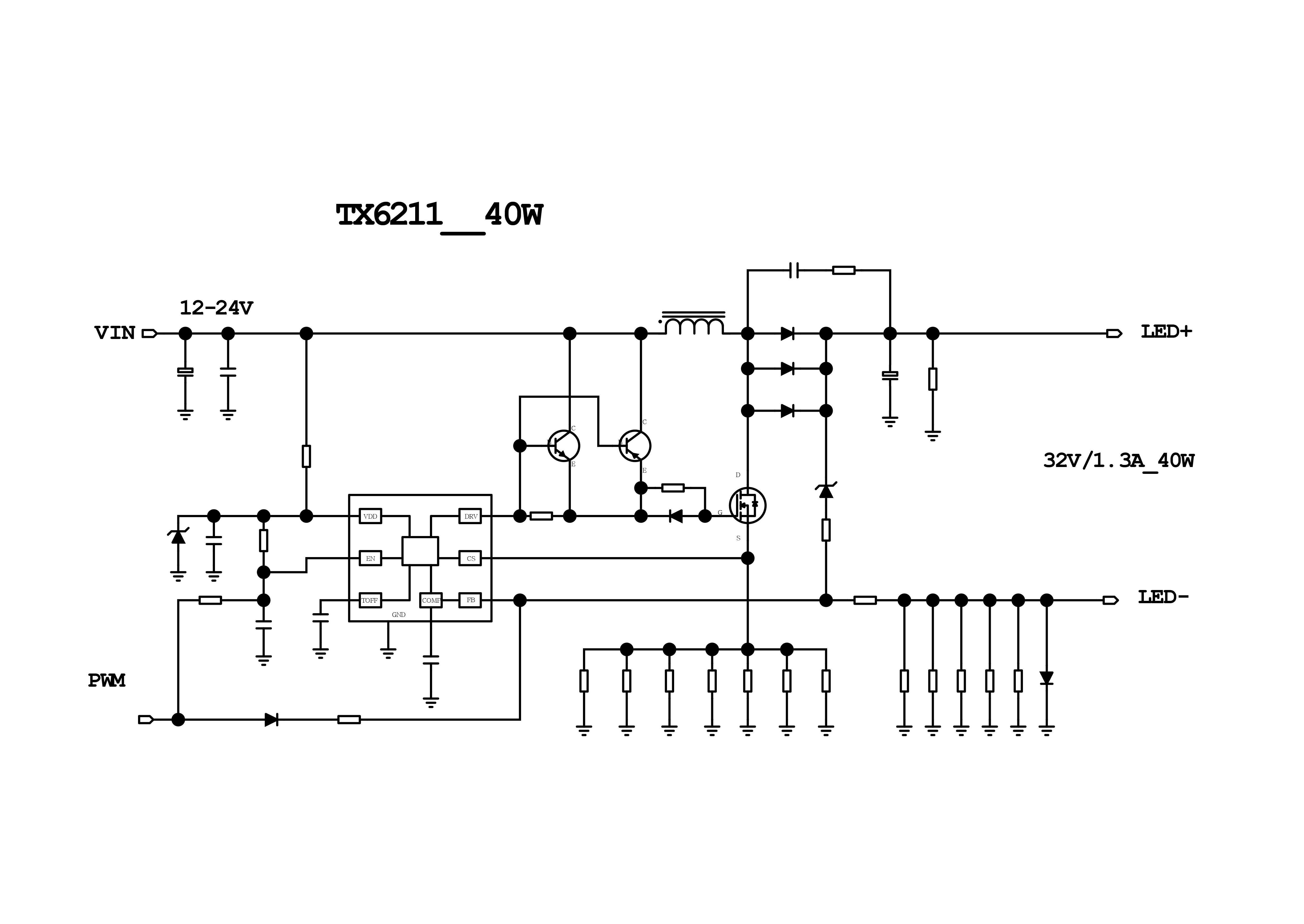
LED驱动芯片TX6211原理图

LED驱动芯片TX6211电路板

LED驱动芯片TX6211 DEMO 实测

TX6211 DEMO 板实测数据和转换效率参考
基本描述:
本 DEMO 为 LED驱动芯片TX6211 制作的演示板,,用于 DC 输入 12-24V,,输出电压32V,,输出恒流 1.33A 的应用演示,,最高转换效率高达 97%。。。
本电路固定工作频率是:53.76-211.9 KHz。。。。输出 32V/1.33A ,,,输出电流可调。。。